住房城鄉建設部關于發布行業標準《住宅建筑室內裝修污染控制技術標準》的公告
發布時間:2019-01-29 14:14:30
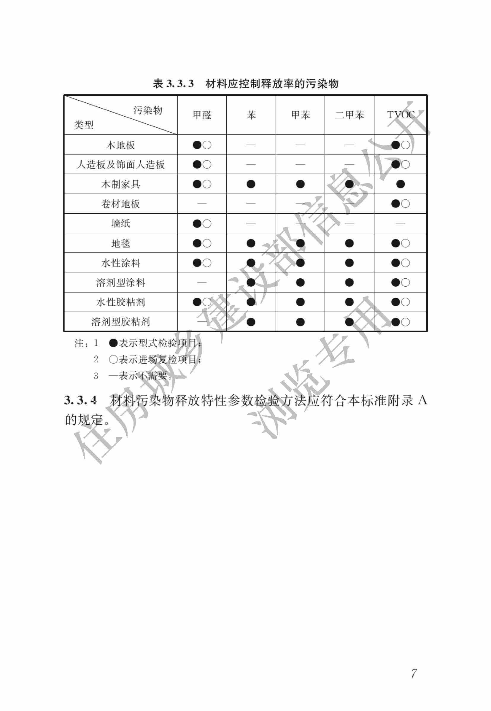
現批準《住宅建筑室內裝修污染控制技術標準》為行業標準,編號為JGJ/T436-2018,自2019年1月1日起實施。
本標準在住房城鄉建設部門戶網站(www.mohurd.gov.cn)公開,并由住房城鄉建設部標準定額研究所組織中國建筑工業出版社出版發行。
中華人民共和國住房和城鄉建設部
2018年9月12日




































地坪工程公司注銷去哪里辦理手續地坪工程公司是指專門從事地面施工或裝修的企業。在一些情況下,地坪工程公司可能需要進行注銷,比如公司經營不善、業務調整等原因。那么,地坪工程公司注銷需要辦理哪些手續呢?接下來我們將詳細介紹地坪工程公司注銷手續辦理的相關知識。地坪工程公司注銷手續辦理流程地坪工程公司要進行注銷,首先需要了解注銷手續辦理的具體流程。通常情況下,地坪工程公司注銷手續辦理需要按照以下步驟進行:1.做好內部清算工作在正式辦理公司注銷手續之前,地坪工程公司需要進行內部清算工作。包括清算債務、處理資產、清償員
在經濟發展的浪潮中,公司的成立與注銷都是司空見慣的事情。2024年,如果您在太原創立了一家有限公司,但由于各種原因需要將其注銷,那么您需要了解有關太原2024年有限公司注銷所需材料的具體要求。本文將為您詳細介紹在太原2024年有限公司注銷過程中需要準備的材料,幫助您順利完成相關手續。太原2024年有限公司注銷需要什么材料在太原2024年有限公司注銷時,根據相關法律法規的規定,您需要準備以下材料:1.注銷申請書首先,您需要準備一份注銷申請書,在申請書中注明公司的基本信息、股東信息以及注銷原因等內容。2.公司
辦理建筑有限公司注意事項關鍵詞:建筑有限公司、辦理、注意事項在辦理建筑有限公司的過程中,有一些重要的注意事項需要特別關注。建筑行業作為一個高風險和資金密集型的行業,需要遵守諸多法律法規和規范,因此辦理建筑有限公司需要仔細考慮和準備。以下是辦理建筑有限公司時需要注意的一些事項。合規性準備在辦理建筑有限公司之前,首先需要確保公司的合規性準備工作。這包括確定公司的經營范圍、注冊資本、公司名稱等。在選擇公司名稱時,需要注意是否存在重名或者違反相關規定,還要避免使用國家禁止或者限制使用的名稱。此外,注冊資本也需要根
為進一步優化納稅服務,加強發票管理,稅務總局依托增值稅發票管理新系統(以下簡稱“新系統”)開發了增值稅發票查驗平臺。經過前期試點,系統運行平穩,稅務總局決定啟用全國增值稅發票查驗平臺?,F將有關事項公告如下:取得增值稅發票的單位和個人可登陸全國增值稅發票查驗平臺(https://inv-veri.chinatax.gov.cn),對新系統開具的增值稅專用發票、增值稅普通發票、機動車銷售統一發票和增值稅電子普通發票的發票信息進行查驗。單位和個人通過網頁瀏覽器首次登錄平臺時,應下載安裝根
為進一步優化納稅服務,加強發票管理,稅務總局依托增值稅發票管理新系統(以下簡稱“新系統”)開發了增值稅發票查驗平臺。經過前期試點,系統運行平穩,稅務總局決定啟用全國增值稅發票查驗平臺?,F將有關事項公告如下:取得增值稅發票的單位和個人可登陸全國增值稅發票查驗平臺(https://inv-veri.chinatax.gov.cn),對新系統開具的增值稅專用發票、增值稅普通發票、機動車銷售統一發票和增值稅電子普通發票的發票信息進行查驗。單位和個人通過網頁瀏覽器首次登錄平臺時,應下載安裝根
為進一步優化納稅服務,加強發票管理,稅務總局依托增值稅發票管理新系統(以下簡稱“新系統”)開發了增值稅發票查驗平臺。經過前期試點,系統運行平穩,稅務總局決定啟用全國增值稅發票查驗平臺?,F將有關事項公告如下:取得增值稅發票的單位和個人可登陸全國增值稅發票查驗平臺(https://inv-veri.chinatax.gov.cn),對新系統開具的增值稅專用發票、增值稅普通發票、機動車銷售統一發票和增值稅電子普通發票的發票信息進行查驗。單位和個人通過網頁瀏覽器首次登錄平臺時,應下載安裝根